TheDarkSideOfWill wrote:
mk e wrote:
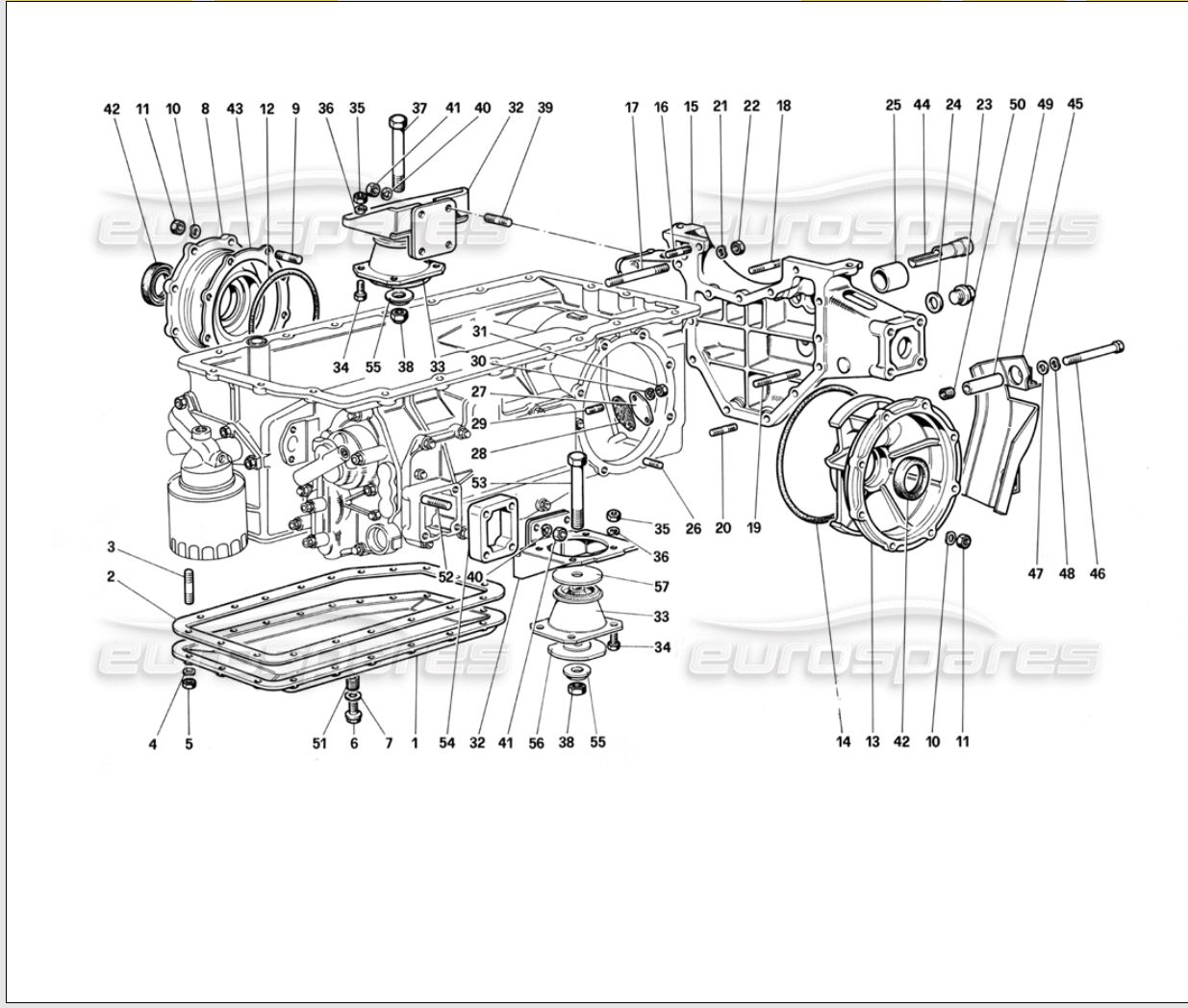
here we go!

It still blows my mind that *THAT* powertrain goes in from the top... but there's no other way to do it in a 308 body.
Fiero powertrains come out the bottom, as do 348s & 355s... Not sure about 360s and later.
I'm *hoping* my Ferrari powertrain will tilt far enough to swing the clutch housing in under the trunk... but I'm also expecting to have to cut the trunk to clear the clutch housing.
Boxer engines come out the top, Testarossa engines come out of the bottom with the sub frame. 512 TRs went back to coming out the top.
3X8 are all top feeders. 288 GTO/F40 is top load. F50, the engine is a chassis member and just bolts to the rear of the tub.
348/355s come out of the bottom. 360/430 out of the top. 458 to present come out of the bottom.
Front engine cars come out of the top until Californias, they are bottom feeders.
Mondials all come out of the bottom.
Dinos are top fed.
That is all I can remember. I have actually had one out of all the ones listed. Dang, I am getting old.
I actually had a client bring in his 308 for a track inspection and he had relocated his engine strut mount lower on the chassis to make it level. However, he had it screwed to the aluminum panel and nothing else. I failed the car. Did I mention he was an engineer? Yeah, I was surprised but he explained that it needed to pull straight on the arm. I just shook my head.
At least you recognize the need for a frame mount, you are an engineer. Plus you work on stuff and get it.